读书改变生活,精品有声读物,免费领取 领取
2023年合肥高新区管委会招聘笔试题库下载
《申论考前必背手册》完整版下载
全国各省市地区辅警招聘面试题库下载
2023年上海公检法院及出入境辅助岗位招聘笔试题库下载
2022年酒泉市肃州区消防救援大队公开招聘政府专职消防员公告
2022-04-20 00:58:49阅读()酒泉公共招聘网为有效解决消防救援队伍人员紧缺的现状,提升全区消防救援队伍的综合救援能力,结合酒泉市消防救援支队肃州大队工作实际,现面向全社会公开招聘8名政府专职消防员,有关事宜公告如下:
一、招聘原则
按照“公开、平等、竞争、择优”的原则,面向全社会公开招录,接受有关部门和社会监督。
二、招聘计划
此次计划招聘政府专职消防员8名,其中灭火救援岗位4名,消防车驾驶员岗位4名,具体计划详见《酒泉市肃州区消防救援大队公开招聘政府专职消防员岗位简表》(附件1)。

本次招聘的政府专职消防员不具有公务员身份及事业编制干部身份,纳入各级财政全额保障供给。实行准军事化管理,在各级消防救援机构的指挥、管理和监督下,主要承担辖区的消防执勤、灭火、抢险救援和战勤保障等工作。
三、招聘条件
(一)基本条件:
1.具有中华人民共和国国籍,拥护中国共产党的领导,遵纪守法、品行端正,具有良好的职业道德;
2.热爱且自愿从事消防救援工作,履行岗位职责,服从工作安排;
3.具有甘肃省内常住户口;
4.符合征兵标准,无违法违纪记录,有较强的责任心和吃苦耐劳精神;
5.具有高中或同等及以上学历;
6.工作时间实行24小时执勤值班轮休制度,能接受夜间工作。
(二)岗位条件:
1.灭火救援岗位:男性,年龄18至26周岁(1996年4月1日以后出生),大学本科及以上学历人员年龄可放宽至28周岁(1994年4月1日以后出生),同等条件下退役军人或从事过消防救援工作者优先。
2.驾驶员岗位:男性,年龄32周岁以下(1990年4月1日以后出生),持机动车驾驶证B2及B2以上,且有二年以上驾龄。
3.受过刑事处罚或者治安管理处罚的,有较为严重的个人不良信用记录的,因违纪违规被开除辞退解聘的,本人家庭成员或近亲家属被判处刑罚的,本人或家庭成员、近亲家属参加非法组织、邪教组织、或从事其他危害国家安全活动的,曾拥有海外国籍的,法律法规和有关政策规定的其他情形的人员,不得从事消防救援工作。
四、招聘程序
按照公开、公平、竞争、择优原则,经网上报名、资格审查、测试考核、政治审查、体格检查、人选确定等程序,按公布的录用名额数量按总成绩分数从高到低进行录用。
(一)发布公告
2022年4月15日前在酒泉人才网、酒泉人力资源市场微信公众号、肃州人力资源市场微信公众号予以发布。
(二)报名初审
1.报名时间:2022年4月15日8:00至4月22日18:00。
2.报名方式:报名采取网上电子邮箱报名方式。登陆酒泉人才网(https://www.jqrc.net),下载《酒泉市肃州区消防救援支队公开招聘政府专职消防员报名登记表》(附件2)电子版填报,发送至邮箱506457751@qq.com。
报名及政策咨询电话:0937-2637119、15193713294(周一至周五,9:00-11:00,15:00-17:00)
酒泉市肃州区消防救援大队根据网上电子邮箱报名审核情况,通过电话或短信方式通知符合条件报名人员资格复审和测试考核。
3.资格复审:报名者须持有效居民身份证、户口簿、毕业证、学位证、专业资格证、退役军人持《退役证》、驾驶证等有关证件原件及2份复印件,同时提供下载打印的《酒泉市肃州区消防救援大队公开招聘政府专职消防员报名登记表》(一式2份,双面打印),近期1寸红底免冠彩色照片5张。资格复审时现场进行体测(不超过标准体重的30%,不低于标准体重的15%;其中标准体重kg=身高cm-110),体测合格者方可予以确认报名。报考人员要仔细阅读诚信考试承诺书,提交的报考申请材料应当真实、准确。对提供虚假材料或隐瞒欺骗者,一经发现,取消报名资格。
(三)测试考核
测试考核由招聘工作领导小组组织,邀请相关部门监督。报名人员须持有效身份证明(身份证、临时身份证或户籍所在地公安机关出具的附本人照片的户籍证明),按通知规定的时间、地点参加测试考核。
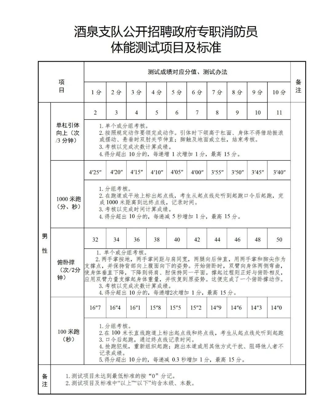
1.体能测试。初审合格人员全部参加体能测试。体能测试参照《国家综合性消防救援队伍招录体能测试及标准》和《应急救援业务训练与考核大纲》实施,按照《酒泉市肃州区消防救援大队公开招聘政府专职消防员体能测试项目及标准》(附件3)执行。参加测试人员自带运动服、运动鞋。
2.面试。面试参照事业单位公开招聘人员面试办法,采取结构化面试的方式进行,主要考察身体形态、仪容仪表、语言表达、交流沟通和业务能力等内容。
报考考生按照体能测试成绩从高分到低分按1:3的比例确定进入面试人员。当面试人员比例达不到1:3时,经公开招聘领导小组同意,可以降低面试人数比例或按照实际参加测试考核合格人数参加面试。
面试进行现场百分制考察评分。面试小组应对每位应招人员客观、公平、公正地进行评价,集体现场打分,当场亮分,当场汇总成绩。
3.综合成绩=体能测试成绩×40%+面试成绩×60%
体能测试成绩、面试成绩、综合成绩均保留小数点后2位,第三位小数不进行四舍五入。
(四)政治审查
对体能测试合格人员全部进行政治审查,主要包括本人现实表现、家庭成员及主要社会关系的政治情况等。如发现本人有触犯刑法被免予刑事处罚的;曾被治安管理处罚、收容教育和强制隔离戒毒的;在高等教育期间受到开除学籍处分的;在国家法定考试中有严重舞弊行为的,不予聘用。本人或家庭成员由于违法乱纪被公安机关立案的,其直系血亲和对本人有重大影响的旁系血亲中有被判除死刑或正在服刑的,或境内外从事颠覆我国政权活动的,不予聘用。有酒驾、醉驾及严重交通肇事行为的,不予聘用。有较为严重的个人不良信用记录的,不予聘用。
(五)体格检查
根据总成绩从高分到低分的顺序,按照1:1的比例确定体检人员名单。体检参照《应征入伍公民体格检查标准》。不在规定时间内参加体检的,视为自动放弃。体检不合格的,将予以淘汰。
体格检查时间、地点由酒泉市肃州区消防救援大队另行通知。体检费用由参检人员自行支付。
(六)人员确定
根据总成绩和体检结果,由招聘领导小组择优提出拟招录人员名单和一定比例的待补录人员名单,在酒泉人才网站向社会公示,公示时间不少于5个工作日。公示期满后,根据公示结果确定录用人员名单。
(七)人员聘用
符合聘用条件的报考人员,由酒泉市消防救援大队统一组织进行为期一个月的岗前培训。培训合格人员与第三方公司签订正式劳动合同,培训期计入合同年限,初次签订合同期限为1年,合同期满若工作需要,经考核合格的可续签合同。培训不合格或业务能力无法胜任岗位者,取消聘用资格。对聘用后未报到、入职培训期间退出以及需要增补人员时从公示的待补录人员中按成绩排名择优补录。
五、其他事项
1.本次招聘不收取任何费用,不指定考试教材,不举办、也不委托任何机构举办考试辅导培训。
2.本次招聘工作资格审查贯穿始终,凡弄虚作假或有违规行为者,无论何时发现,一经查实,即取消相关资格。
3.所有报考人员在报名、考试、体检等过程中要全程佩戴口罩,尽可能减少陪同人员,做到不聚集、不扎堆,自觉遵守疫情防控及相关工作秩序。对不服从安排管理的,除现场取消报考人员相关资格外,还将按照有关规定追究当事人相关责任。
4.本次公开招聘相关事宜以公告为准,公告未尽事宜,由酒泉市肃州区消防救援大队负责解释。


扫一扫,手机继续看
部分数据为彩果考试网(www.cgksw.com)收集整理,转载或复制请注明出处!-彩果考试网-




皖公网安备 34010402702387号