读书改变生活,精品有声读物,免费领取 领取
2023年合肥高新区管委会招聘笔试题库下载
《申论考前必背手册》完整版下载
全国各省市地区辅警招聘面试题库下载
2023年上海公检法院及出入境辅助岗位招聘笔试题库下载
2022年酒泉瓜州县消防救援大队政府专职消防员招聘公告
2022-04-20 01:02:35阅读()瓜州县人力资源和社会保障局根据《甘肃省消防救援总队2022年重点工作目标任务》和支队《关于分解下达2022年工作目标任务的通知》以及各队(站)现有执勤实力现状,瓜州县消防救援大队面向社会公开招聘政府专职消防员4人。现将有关事项公告如下:
一、招聘原则
按照“公开、平等、竞争、择优”的原则,面向社会公开招聘,接受有关部门和社会监督。
二、招聘计划
公开招聘政府专职消防员4名。本次招聘的政府专职消防员不具有公务员身份及事业编制干部身份,纳入县财政全额保障供给。实行准军事化管理,在县消防救援大队的指挥、管理和监督下,主要承担辖区的消防执勤、灭火、抢险救援和服务保障等工作。
三、招聘条件
(一)应聘人员应当具备下列条件:
1.拥护中华人民共和国宪法,遵守国家法律法规,品行端正;
2.热爱并自愿从事消防执勤、灭火、抢险救援、服务保障等工作;
3.具有瓜州县户口,户口迁入时间为招聘公告发布之日前;
4.全日制专科及以上学历。
5.男性,年龄在18-28周岁。对紧缺的重要岗位人才,可根据身体状况适当放宽,一般不超过32周岁。
6.退役军人、见义勇为积极分子和先进个人,公安院校毕业生或具有消防工作经验的,以上人员学历可放宽至高中及高中以上,在同等条件下优先录用(总成绩相同情况下)。
(二)具有下列情形之一的人员,不得报考:
1.受过刑事处罚或者涉嫌违法犯罪尚未查清的;
2.曾被治安管理处罚、收容教育和强制隔离戒毒的;
3.曾被国家机关、事业单位开除公职或者辞退、解聘的,不得再次聘用;
4.有较为严重的个人不良信用记录的;
5.本人家庭成员或者近亲属被判处刑罚的;
6.本人或者家庭成员、近亲属参加非法组织、邪教组织或者从事其他危害国家安全活动的;
7.不适合从事消防工作的其他情形。
四、招聘程序
按照公开、公平、竞争、择优原则,经报名、资格审查、体能考核、面试、体检、政审、人选确定等程序,即总成绩=体能测试成绩×50%+面试成绩×50%。按公布的录用名额数量按总成绩分数从高到低进行录用。
(一)发布招聘公告
2022年4月15日至4月26日。
(二)报名
1.报名时间:2022年4月15日至4月26日。
上午8:30—12:00,下午15:00—18:30。
2.报名方式:报名采取现场报名的方式进行,不接受电话、网络、委托及其他方式报名。提交的报名材料须真实、准确,凡报名所需材料提交不齐全的,不予报名。
3.报名地点:瓜州县西部天地主楼三层。
4.报名人员须提交以下材料:
(1)《瓜州县公开招聘政府专职消防员报名登记表》和《报考人员诚信承诺书》(现场填写);
(2)有效身份证件、户口簿、毕业证、学位证及其他相关证书(退伍军人需提供退伍证)原件及复印件1份,需同时提供《中国高等教育学生信息网》在线验证的《教育部学历证书电子注册备案表》(带二维验证码,在线验证码在有效验证期内)1份,凡在《中国高等教育学生信息网》无法验证的,不予报名(高中学历的不用提供《教育部学历证书电子注册备案表》);
(3)本人近期1寸免冠正面同底色照片3张。
5.报考政府专职消防员岗位的,对符合以下条件人员,在最终成绩核定中予以加分,并予以公示:
①原消防部队退役官兵,加1.50分,服役期间荣立三等功及以上荣誉的,加2.50分。
②退役军人、武警官兵,加1.00分,服役期间荣立三等功及以上荣誉的,加2.00分。
所有加分项不重复累加,取最高加分项至最终总成绩。符合加分条件的人员需在报名当日出具相关证明材料。报名后补充提供者,不予认可。
(三)资格审查
报名结束后,由招聘工作领导小组组织人员对报名人员资格进行再审查,凡符合报名条件者通知体能测试、面试。资格审查不符合要求的,及时向报名人员告知并说明理由。
(四)准考证领取
1.时间:待定
2.地点:瓜州县西部天地主楼三层
测试考核由招聘工作领导小组组织,报名人员须持测试考核通知单、有效身份证明(身份证、临时身份证或户籍所在地公安机关出具的附本人照片的户籍证明),按通知规定的时间、地点参加测试考核。
1.体能测试
报考政府专职消防员岗位的报名人员参加体能测试,体能测试时间和地点以瓜州县消防救援大队通知为准。
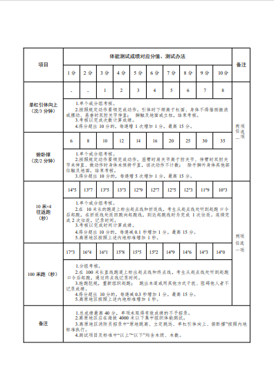
体能测试按照《专职消防队员招聘体能测试项目及标准》执行,体能测试成绩占总成绩的50%。报考人员体能测试任意一项未通过测试规定最低标准的考生视为体能不合格,予以淘汰。
2.面试
报考专职消防员岗位且体能合格考生,根据体能测试成绩从高分到低分按1:3的比例确定进入面试人员。当面试人员比例达不到1:3时,经公开招聘领导小组同意,可以降低面试人数比例或按照实际体能测试合格人数参加面试。
面试参照事业单位公开招聘人员面试办法,采取结构化面试的方式进行,主要考察身体形态、仪容仪表、语言表达、交流沟通等内容。面试进行现场百分制考察评分。面试小组应对每位应聘人员客观、公平、公正地进行评价,集体现场打分,当场亮分,当场汇总成绩。面试成绩低于70分的不予聘用。
(六)总成绩
总成绩计算办法:
专职消防员岗位=体能测试成绩×50%+面试成绩×50%+加分项
体能测试成绩、笔试成绩、面试成绩、综合成绩均保留小数点后2位,第三位小数不进行四舍五入。
(七)体检
根据总成绩从高分到低分的顺序,按1:1的比例确定参加体检人员名单。由瓜州县消防救援大队组织实施。参照《公务员录用体检通用标准》(试行)在指定医院组织体检。体检不合格或体检对象放弃的,根据总成绩从高到低的顺序依次递补体检人选,体检费用自理。
体检时间、地点由瓜州县消防救援大队另行通知。
(八)政审
对体检合格人员进行政审,主要包括本人现实表现、家庭成员及主要社会关系的政治情况等。如发现本人有触犯刑律被免予刑事处罚的;曾被治安管理处罚、收容教育和强制隔离戒毒的;在高等教育期间受到开除学籍处分的;在国家法定考试中有严重舞弊行为的,不予聘用。本人或家庭成员由于违法乱纪被公安机关立案的,其直系血亲和对本人有重大影响的旁系血亲中有被判除死刑或正在服刑的,或境内外从事颠覆我国政权活动的,不予聘用。有酒驾、醉驾及严重交通肇事行为的,不予聘用。有较为严重的个人不良信用记录的,不予聘用。形成的空缺岗位根据总成绩由高到低的顺序依次递补。
(九)人选确定
根据面试成绩和体检结果,择优确定拟聘用人选。在甘肃海智众鑫人力资源咨询公司微信公众号公示栏进行公示(公示期为5个工作日),公示期满后,如无影响其聘用的相关情况,即按规定办理聘用审批手续。一经聘用,工作须满两年以上。
五、聘用及待遇
本次招聘的政府专职消防员实行劳动合同用工管理,由县消防救援大队组织进行岗前培训、进行管理和使用,并由甘肃海智众鑫人力资源有限公司与聘用人员签订劳动合同,试用期为3个月,试用期满考核合格者,办理聘用手续,并依法享有《劳动合同法》规定的工资福利、社会保险、劳动用工、劳动保护、抚恤、休假等方面的权益。签订待遇按照酒泉市人力资源和社会保障局《关于明确专职消防员招聘相关事宜的通知》相关规定办理,年包干经费7.44万元,含各项社会保险费用等。
特别提示:本次考试不指定任何培训机构,不举办也不委托任何机构举办培训班。对不法利益团伙举办的各类违规培训、短信诈骗等行为,广大报考人员要保持警惕,避免上当受骗。
咨询电话:18893636138
附件:1.专职消防员招录体能测试项目及标准
2.瓜州县公开招聘专职消防员和消防文职人员报名登记表和诚信承诺书





扫一扫,手机继续看
部分数据为彩果考试网(www.cgksw.com)收集整理,转载或复制请注明出处!-彩果考试网-




皖公网安备 34010402702387号